Startpagina Modelspoor Modelauto's Baanontwerp Integraal


Voeding



modelspoor
treinen
communicatie trein
loc besturing
wissel/sein besturing
bezetmelding
PC besturing
interface signalen
basis trein
Koploper



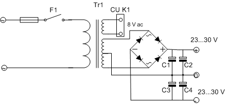
Het principe van de voeding is weergegeven in onderstaande figuur. Het hart van de voeding bestaat uit een ringkern trafo van 230 V/ 2 x 18 V, 300 VA (Conrad: 518794). Voor de afvlakking worden flinke elco’s gebruikt (2 x (4x4700 µF/ 35V)).

De uitgangspanning  bedraagt +/- 23…30 Vdc.

voeding 

 Voeding

 

Voor de voeding van de controller is een extra secundaire wikkeling aangebracht van geïsoleerd koperdraad. Het aantal wikkelingen is experimenteel bepaald om een secundaire spanning van 8V te verkrijgen.