Testen locdecoder
modelspoor
|
Onderstaand is nogmaals het principeschema van de locdecoder weergegeven.
Principeschema locdecoder
|
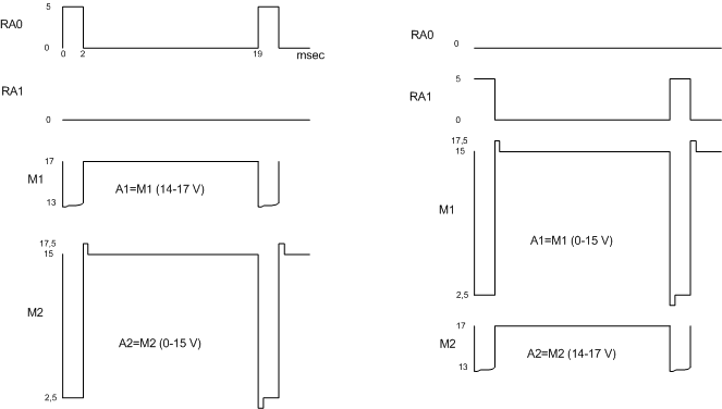
Een tweetal locdecoders is getest op de goede werking door
op een aantal meetpunten (RA0, RA1, M1, M2, A1 en A2). De eerste locdecoder was
o.k. De meetresultaten zijn weergegeven in respectievelijk meetresultaat 1 en meetresultaat 2. Met RA0 en RA1 wordt de
richting van de loc bepaald. Als RA0 = “1” dan is RA0 = “0” en omgekeerd. De snelheid van
de loc wordt bepaald door de breedte van de puls.
Bijgaand zijn een aantal details op het locdecoder printje weergegeven.

Boven en onderaanzicht van locdecoderprint
Met
de scoop zijn een aantal signalen gemeten. In onderstaande figuur is
het meetresultaat van zowel een correct werkend locdecoder als van een
niet correct werkendexemplaar weergegeven.
meetresultaat 1 van een correct werkende locdecoder
meetresultaat 2 van een niet correct werkende locdecoder