| Startpagina | Modelspoor | Modelauto's | Baanontwerp | Integraal |
| modelspoor |
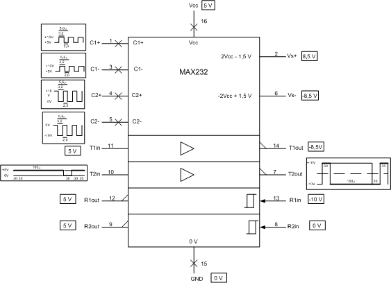
De controller genereert een Motorola protocol (zie communicatie) in de vorm van negen na elkaar verzonden “trits”. Dit protocol vormt de basis voor de aansturing van de loc’s, de wissels en de seinen. De inhoud van het protocol wordt bepaald door het programma Koploper of door Pro Edits. Dit protocol op TTL niveau is beschikbaar op uitgang PA2 en wordt nadat het geïnverteerd is door IC2d aangeboden op ingang T2in van MAX232. IC3 (MAX 232) converteert het TTL signaal naar RS232 signaal conform tabel 4.2 op uitgang T2out, waarmee de booster (pen 1 van K8) wordt aangestuurd. Pen 1 (RS232) en 2 (aarde) van K8 worden aangesloten op de booster. De pennen 3 (bestemd voor Märklin boosters) en 4 (+ 5V) worden niet aangesloten. Gegeven de gemeten signalen (zie figuur met MAX232) PA2, T2in en T2out lijkt dit deel goed te werken.
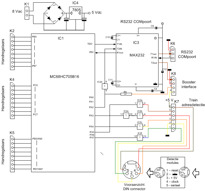
Principeschema van de control unit en connectorverbindingen |

MAX232 met gemeten signalen
Terug naar controlunit