Startpagina Modelspoor Modelauto's Baanontwerp Integraal


Basisschema treinen



modelspoor
treinen
communicatie trein
loc besturing
wissel/sein besturing
bezetmelding
PC besturing
interface signalen
basis trein
Koploper


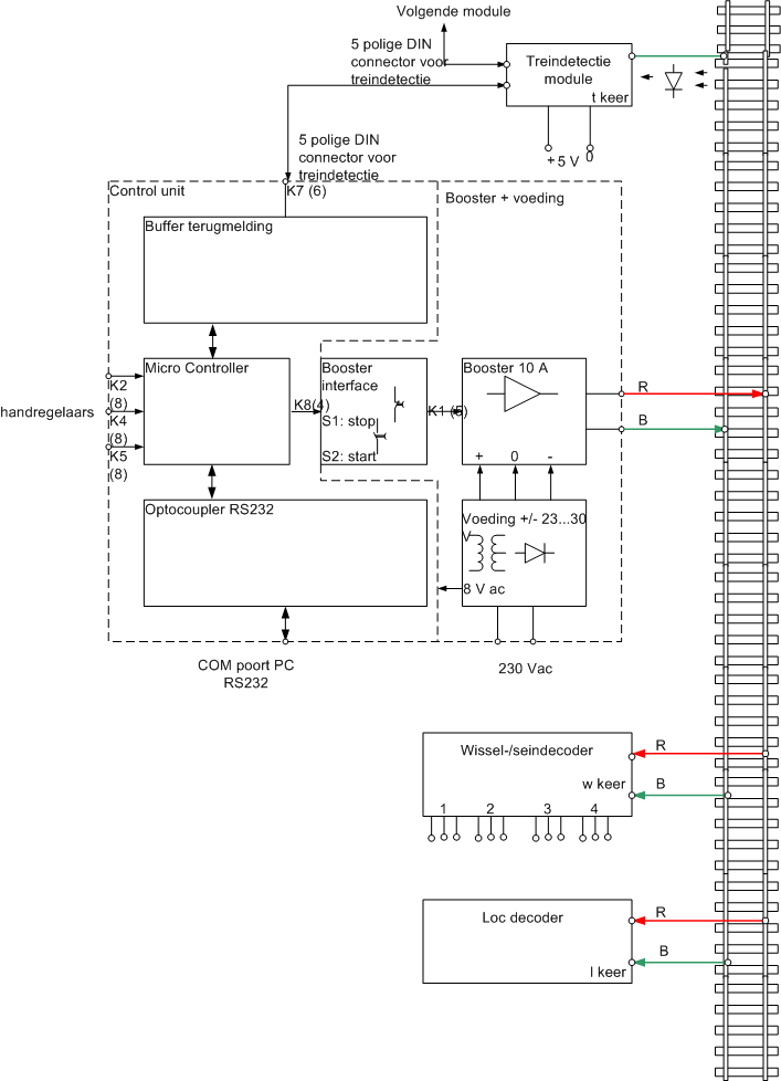
De onder railpan beschreven baan wil ik digitaal gaan besturen met het Edits Pro systeem. Het basissysteem is weergegeven in onderstaande figuur. De diverse onderdelen hiervan zijn uitgebreid beschreven in het boek “Digitale modeltrein besturing met Edits Pro”van Steffen van de Vries en in het elektronicablad Elektuur.

Dit systeem is via RS232 verbinding gekoppeld met een PC en wordt bestuurd door het bekende programma Koploper van Paul Haagsma.

Het hart van het digitale besturingsysteem bestaat uit een control unit en een booster met voeding.

Daarnaast zijn er meerdere modules:

  • Loc decoders
  • Wissel- /seindecoders
  • Schakeldecoders
  • Trein detectie modules
  • Treinadres detectiemodule(s)
 




basisschema digitale besturing 

basischema treinen

Achtereenvolgens zullen de diverse modules globaal worden beschreven. Voor detailinformatie wordt verwezen naar het boek van Edits Pro.

Terugnaar modelspoor