| Startpagina | Modelspoor | Modelauto's | Baanontwerp | Integraal |
| modelspoor |
Er zijn meerdere methoden om treindetectie in een blok te realiseren:
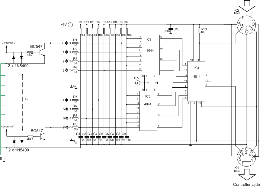
Elke methode heeft zo zijn voor en nadelen. Ik heb gekozen voor het principe van stroomdetectie. Hiervoor wordt een sectie in de “massa rail” geïsoleerd en via twee anti parallel geschakelde dioden verbonden met massa (zie onderstaande figuur). Op het moment dat een stroomverbruikend apparaat (loc, rijtuig met verlichting of assen met geleidingspasta) de contactrail passeert vloeit er een stroom naar massa, die een spanning van 0,7 V over de dioden realiseert. Deze spanning is voldoende om de transistor in geleiding te brengen en daarmee de trein te detecteren. Per blok worden minimaal 2 trajecten gerealiseerd met detectiemogelijkheden. Aan het begin van het blok wordt de trein bij binnenkomst gedetecteerd en aan het eind (het stoptraject) moet de trein eventueel voor het stoplicht worden gestopt. Het programma Koploper heeft de mogelijkheid om de trein netjes te laten stoppen. Het remgedrag per trein kan zelfs worden geleerd. Met twee detectietrajecten is het risico aanwezig dat een verloren wagon op het middengedeelte niet wordt gedetecteerd en dat een volgende trein het “vrijgegeven” blok inrijdt en een botsing veroorzaakt. Dit kan worden voorkomen door per blok extra detectietrajecten te creëren. Hierbij moeten de extra kosten afgewogen worden tegen de risico’s dat er niet wordt gedetecteerd. Vooralsnog maak ik gebruik van twee detectietrajecten per blok. In totaal zijn er 24 detectietrajecten, die gerealiseerd kunnen worden met 3 detectiemodules. |

Treindetectie via contactrail aan het begin
en eind van elk blok
Met de treindetectie module kan de positie van een trein bepaald worden. Dit wil zeggen dat vastgesteld kan worden dat in een bepaald blok een trein aanwezig is, maar niet welke trein. Met behulp van het programma Koploper is het mogelijk een bepaalde trein volledig te volgen. In het programma moet worden aangegeven in welk blok een bepaalde trein start en naar welk volgende blok de trein gaat. Vervolgens volgt Koploper de trein volledig bij automatische mode.
Treindetectie module van Edits Pro
Elke module heeft 8 ingangen en in totaal kunnen maximaal 32 modulen worden aangesloten, waarmee 256 ingangen beschikbaar komen.
Op connector K2 is wel of geen voorgaande detectiemodule aangesloten en op connector K1 is een volgende module aangesloten of de controller.
Wordt op één van de ingangen een trein gedetecteerd (aarde
op betreffende ingang) dan klapt bijbehorende flip flop om. In de leescyclus
genereert de controller 32x8 = 256 klokpulsen en worden alle modulen als één
groot schuifregister uitgelezen. Daarna is bekend welke blokken (of secties in
een blok) bezet zijn. De niet aangesloten detectiemodulen worden door de
controller herkend daar de bits in de controllerregisters van de niet
aangesloten detectiemodulen de logische waarde “

De treindetectie module in detail.
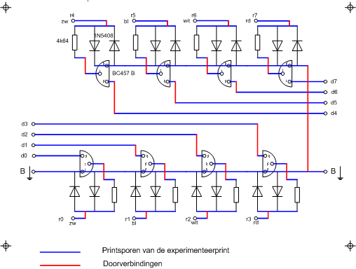
Op een contactrail is een BC547 transistor aangesloten met 2 anti parallel geschakelde dioden, die gaat geleiden als er een locomotief over deze sectie rijdt. De uitgang van deze schakeling is weer aangesloten op één van de ingangen van de detectiemodule. Voor elke detectiemodule zijn 8 van dergelijke schakelingen gebouwd op een zelf gemaakt printje, dat is samengebouwd met de print va de detectiemodule in één behuizing. In onderstaande figuur is de print weergegeven van de 8 voorschakelingen.

De print van de voorschakelingen
Bij het in bedrijf stellen van de treindetectie module is eveneens een aantal testervaringen opgedaan.