Startpagina Modelspoor Modelauto's Baanontwerp Integraal


Ucci interface



modelauto's
auto's
basis auto's
autobaanontwerp
voorwaarden1
voorwaarden2
voorwaarden3
UCCI interface
communicatie auto's




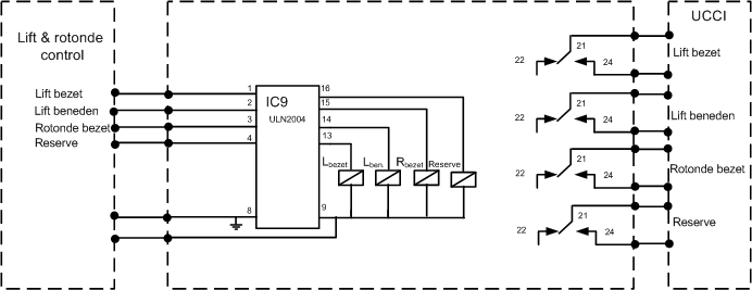
Zoals al eerder aangegeven leest de UCCI de posities van de voertuigen in middels spanningsvrije contacten van reedrelais.
Om dit voor de externe voorwaarden (lift bezet, lift beneden, rotonde bezet en spoor bezet) eveneens te waarborgen zijn de beschikbare logische voorwaarden op onderstaande manier omgezet in spanningsvrije contacten.



Ucci interface
Interface externe voorwaarden en Ucci.