Lift besturing
baanontwerp
|
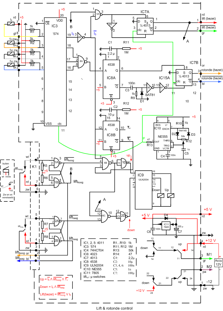
De besturing van de lift is gerealiseerd met een handvol electronika zoals in het schema van figuur 3 weergegeven.
Zowel aan de bovenkant als de onderkant van de lift zijn eindcontacten
(microswitches) gemonteeerd om aan te geven dat het lifttableau boven
(lift_hoog) respectievelijk beneden (lift_laag) is.
Hiervoor is gebruik gemaakt van een anti denderschakeling.
Bij contact aansturing wordt veel gebruikt gemaakt van de
schakelingen uit figuur 1 en figuur 2 om contact dender te voorkomen. Op
het moment dat x sluit (figuur 1) wordt b=0 en gaat X van 1 naar 0. X blijft
0 ondanks denderen op b, omdat de beide ingangen van de bovenste NAND 1
blijven.
Figuur 2 staat bekend als D flipflop. De data op de D
ingang wordt na een klokpuls doorgegeven naar de Q uitgang. De master slave
configuratie werkt als volgt.

Figuur 1: anti
dender met nands
Figuur 2: anti dender met D flip flop
|
Zolang de klok HOOG is zijn de poorten 1 en 2 actief,
waardoor de master flipflop (poorten 3 en 4) dezelfde toestand aanneemt als de
D ingang: M=D en M’=D’. Poorten 5 en 6 zijn niet actief, zodat de slave
flipflop (poorten 7 en 8) in zijn vorige toestand blijft. Zodra de klok LAAG
wordt, worden de ingangen van de master ontkoppeld van de D ingang. Op
hetzelfde ogenblik worden de ingangen van de slave aan de uitgangen van de
master gekoppeld. De uitgangstoestand van de master wordt zo aan de slave
doorgegeven. Het is niet mogelijk dat de uitgang nog andere veranderingen
ondergaat, omdat de master nu geblokkeerd is. Bij de volgende stijgende flank
van de klok zal de slave ontkoppeld worden van de master, waarbij hij zijn
toestand behoudt, terwijl de master de ingang weer gaat volgen.
Naast de inputs lift_hoog en lift_laag zijn er nog 4 inputs; l5 het
reedrelais op het lifttableau en re1, re2 en re3 de 3 reedrelais
in de rotonde. Deze inputs zijn aangesloten op IC3 op de ingangen 2 tot
en met 5, die corresponderen met de uitgangen 19, 18, 17 en 16.
De uitgangen van de D flip flops nemen de waarden van de ingangen over
bij een opgaande clockpuls. De clockpuls wordt verzorgd door de NE555.
Is l5 hoog (uitgang 19 van IC3 is hoog en uitgang 4 van IC4 is laag)
betekent dit dat het reedcontact in het liftplateau aangetrokken is en
dat er een auto in de lift is.
De lift is bezet als er een auto in de lift zit (l5=hoog) of dat de lift niet in de bovenstand staat. De logische voorwaarde hiervoor is aangegeven in figuur 3 rechtsonder.
De voorwaarde dat de lift naar beneden (down) moet is dat er een auto
in de lift is (l5 is hoog) en dat de lift niet beneden is
(lift_laag=laag).
De voorwaarde dat de lift naar boven (up) moet is dat er geen auto in
de lift is (l5 is laag), dat de lift niet boven is
(lift_hoog=laag) en het signaal Tv laag is.
De logische voorwaarden hiervoor zijn linksonder in figuur 3 weergegeven in rood. Het signaal Tv verdient nog enige toelichting.
Bij het experimenteren bleek dat door het starten en stoppen van de
lift het contact l5 vaak onterecht af en opkwam, waardoor de voorwaarden voor het
opkomen van de lift niet meer klopten. Dit is ondervangen door het
signaal l5 toe te voegen aan monoflop 4538 met een afvaltijd van ca. 10
sec. Hierdoor wordt gegarandeerd dat de lift, éénmaal
gestart zijn opdracht kan afmaken.
De siganalen up en down, in de figuur in rood aangegeven, worden door IC9
omgezet in een relaiscontact, die de motor de juiste kant op doet
draaien.
De uitgangen lift bezet, lift niet bezet (uitgang 1 en 2), rotonde
bezet en rotonde niet bezet (uitgang 3 en 4) en lift laag (uitgang 1)
en lift hoog (uitgang 2) zijn beschikbaar voor de buitenwereld.
Figgur 3: Schema voor liftcontrol